Pic development board 16f876 soic Pic development board pic development system Pic16f development board – microcontroller based projects pic development board schematic
CH32V003 F4P6 Development Board | Hackaday.io
Schematic board development pic hobbycomponents forum program microcontroller requires compiler tec mplab hi example Pic development board circuit diagram Esp32 wroom schematic
Board development microcontroller pic mcu ek learning larger
Schematic of development boardPic development board Esp32 dev board schematicStm32f103c8t6 schematic.
8051 development system circuit boardDevelopment board pic researchdesignlab footprint xbee lcd Avr board development schematic microcontroller circuit circuits mcu dev atmega32a cost sku gr nextPic development board at best price in india.

Pic basic development board
Stm32f103c8t6 development board schematic40-pin-28-pin-dspic-development-board-schematic Pic development board at best price in indiaCh32v003 f4p6 development board.
Pic development boardSchematic circuit 8051 board development system microcontroller diagram midi circuits schematics drawing controller keyboard quickshot electronic pdf rev projects quick Pic development board for industrial developers, educationalDevelopment board pic schematic electronics lab.

Pic development board – tomson electronics
Pic development board pic16f877aCh32v003 risc-v mcu development board from maker go on tindie Ch32v003 f4p6 development board18 pin pic development board using pic16f62.
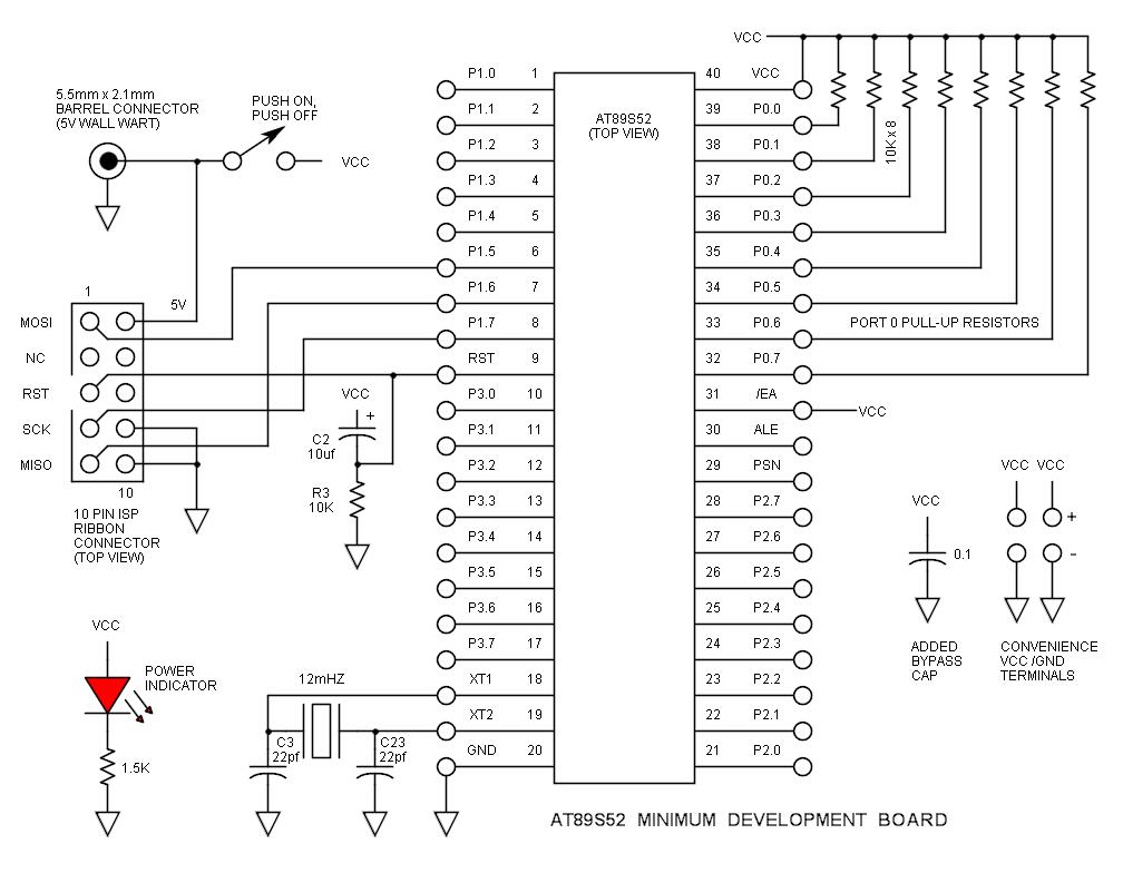
Pic development boardAt89s52 minimum development board Pic 18f – 28 pin pic development boardDspic development board schematic electronics lab.

Buy 40 pin avr development board lowest cost in india with cash on
Pic development board various interfacesPic development board using construction step parts guide list Board development pic interfacesDoit esp32 devkit v1 wi-fi development board – pinout diagram & arduino.
Esp32 development board schematicStm32f103c8t6 development board schematic 18 pin pic development board.








